
EPL1-D2-R Контроллер управления насосами
Многофункциональный контроллер управления насосами ELHART EPL1-D2-R предназначен для управления насосной группой из двух или трех насосов с помощью датчиков с выходом типа «сухой контакт» (например, реле давления) и/или NPN-датчиков.
Контроллер EPL1 используется в релейных схемах управления насосами с возможностью автоматического ввода резерва (АВР). Так же применяется в качестве симметричного реверсивного таймера для реализации прямого и реверсивного вращения мешалок, вентиляторов, приводов транспортеров и прочих исполнительных механизмов.
Имеет 4 дискретных входа и 3 релейных выхода, назначение которых определяется выбранным алгоритмом работы:
- чередование двух насосов по схеме 1+1 с АВР и сигнализацией
- чередование двух насосов по схеме 1+1 с АВР и подпиткой
- чередование трех насосов по схеме 2+1 с АВР и отслеживанием аварии каждого насоса
- чередование трех насосов с АВР и разрешением работы насосов
Функциональная схема контроллера управления насосами EPL1-D2-R
- 4 входа для подключения датчиков типа «сухой контакт» и NPN-типа (с внешним блоком питания)
- 4 встроенных алгоритма работы
- Автоматический ввод резерва (ABP)
- Индивидуальная настройка входов: тип входного сигнала НО и НЗ, выдержка времени срабатывания
- Настраиваемое время работы насосов от 1 секунды до 30 дней
- В рабочем режиме — отображение оставшегося времени до смены насосов
- 3 управляющих выхода: электромагнитное реле (НО) 5 А при ~250 В, 3 А при =30 В
- Регистрация времени наработки каждого насоса
- Автоматический и ручной режимы работы
- Сделано в России

Алгоритмы контроллера управления насосами EPL1-D2-R
Алгоритм 1: чередование двух насосов по схеме 1+1 с АВР и сигнализацией
Алгоритм по умолчанию при заводских настройках прибора.
Алгоритм используется для управления группой из двух насосов. Одновременно работает только один насос. На заводских настройках насосы сменяются каждые 24 часа.
Выходы OUT 1 и OUT 2 управляют насосами. Выход OUT 3 используется для сигнализации аварии или выбранного состояния. При заводских настройках выход замыкается при любой аварии.

Функции входов:
- INPUT 1 — сигнал от датчика «сухого хода»;
- INPUT 2 — сигнал от датчика аварии насоса;
- INPUT 3 — сигнал сброса аварии;
- INPUT 4 — сигнал блокировки.
Обозначения на схеме:
- М1, М2 — насосы;
- КМ1, КМ2 — контакторы насосов М1, М2;
- H1 — сигнализация аварии;
- SA1 — замыкающий контакт сброса аварии;
- SA2 — замыкающий контакт входа блокировки;
- PS — реле «сухого хода» (давления);
- PDS — реле аварии насоса (перепада давления).
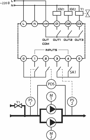
Алгоритм 2: чередование двух насосов по схеме 1+1 с АВР и подпиткой
Алгоритм используется для управления группой из двух насосов с подключением подпитки. Одновременно работает только один насос. На заводских настройках насосы сменяются каждые 24 часа.
Выходы OUT 1 и OUT 2 управляют насосами М1 и М2. Выход OUT 3 управляет подпиткой.
При срабатывании входа реле давления для подпитки INPUT 3 (давление упало ниже заданного) включается выход подпитки OUT 3. Выход подпитки отключится при нормализации давления.

Функции входов:
- INPUT 1 — сигнал от датчика «сухого хода»;
- INPUT 2 — сигнал от датчика аварии насоса;
- INPUT 3 — сигнал от датчика давления для подпитки;
- INPUT 4 — сигнал блокировки.
Обозначения на схеме:
- М1, М2 — насосы;
- КМ1, КМ2 — контакторы насосов М1, М2;
- Y1 — клапан подпитки;
- SA1 — замыкающий контакт входа блокировки;
- PS1 — реле «сухого хода» (давления);
- PS2 — реле давления для подпитки;
- PDS — реле аварии насоса (перепада давления).
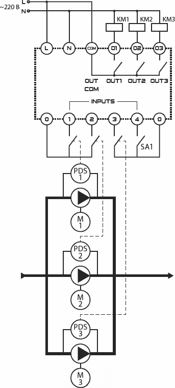
Алгоритм 3: чередование трех насосов по схеме 2+1 с АВР и отслеживанием аварии каждого насоса
Алгоритм используется для управления группой из трех насосов. Одновременно работают два насоса. На заводских настройках насосы сменяются каждые 24 часа. При аварии насос будет отключен до сброса аварии.
Насосы М1, М2 и М3, управляемые выходами OUT 1, OUT 2 и OUT 3 соответственно, работают в следующем порядке:
- М1+М2;
- М2+М3;
- М1+М3.
Входы используются для отслеживания аварии каждого насоса. При необходимости отслеживания «сухого хода» насосной группы допускается подключение датчика «сухого хода» на вход блокировки и настроить выключение насосов при блокировке (заводское значение), таким образом при «сухом ходе» все насосы будут отключены, а на экране будет отображаться надпись BLC.

Функции входов:
- INPUT 1 — сигнал от датчика аварии насоса М1;
- INPUT 2 — сигнал от датчика аварии насоса М2;
- INPUT 3 — сигнал от датчика аварии насоса М3;
- INPUT 4 — сигнал блокировки.
Обозначения на схеме:
- М1-M3 — насосы;
- КМ1-KM3 — контакторы насосов М1-M3;
- SA1 — замыкающий контакт входа блокировки;
- PDS1-PDS3 — реле аварии насоса M1-M3 (перепада давления).
Алгоритм 4: чередование трех насосов с АВР и разрешением работы насосов
Алгоритм используется для управления группой из трех насосов. Одновременно работают один или два насоса (параметр 4-6). На заводских настройках одновременно работают два насоса и сменяются каждые 24 часа.
Для каждого насоса отслеживается состояние «сухой ход». Логический сигнал на входе прибора отключает соответствующий насос. В отличие от алгоритма 3, насос будет доступен для включения после пропадания сигнала «сухой ход» на соответствующем входе прибора.
Выходы OUT 1, OUT 2 и OUT 3 управляют насосами М1, М2 и М3.

Функции входов:
- INPUT 1 — сигнал от датчика «сухого хода» насоса М1;
- INPUT 2 — сигнал от датчика «сухого хода» насоса М2;
- INPUT 3 — сигнал от датчика «сухого хода» насоса М3;
- INPUT 4 — сигнал блокировки.
Обозначения на схеме:
- М1-M3 — насосы;
- КМ1-KM3 — контакторы насосов М1-M3;
- PS1-PS3 — реле «сухого хода» насосов M1-M3.
Примеры применения контроллера управления насосами EPL1-D2-R
- Управление группой циркуляционных насосов в системе отопления и ГВС
- Откачка воды из 3-х скважин
- Управление вращением мешалки в емкости с рубашкой
- Управление мешалкой поворотной тележки в хлебопекарной печи
| Параметр | Значение |
|---|---|
| Питание прибора | |
| Питание прибора | ~190…240 В / 50 Гц (Uном=220 В / 50 Гц) |
| Потребляемая мощность | 3 Вт |
| Входные каналы | |
| Количество входов | 4 |
| Тип входа |
«сухой контакт», NPN-датчик (с внешним блоком питания) |
|
Максимально допустимое напряжение питания для NPN-датчика |
не более =30 В |
| Выходные каналы | |
| Количество выходов | 3 |
| Тип выходных каналов | электромагнитное реле (НО) |
| Максимальные ток и напряжение, коммутируемые контактами реле | 5 А при ~250 В, 3 А при =30 В |
| Максимальный суммарный ток на выходных каналах | 8 А |
| Общие данные | |
| Индикация | трехразрядный семисегментный LED-индикатор, 7 светодиодов |
| Алгоритмы работы |
1 — чередование двух насосов по схеме 1+1 (с АВР и сигнализацией) 2 — чередование двух насосов по схеме 1+1 (с АВР и подпиткой) 3 — чередование трех насосов по схеме 2+1 (с АВР и отслеживанием аварии каждого насоса) 4 — чередование трех насосов с АВР и разрешением работы насосов |
| Окружающая среда | |
| Допустимая рабочая температура и температура хранения | -20…+50 °C |
| Относительная влажность воздуха | 0…80% (без образования конденсата) |
| Корпус | |
| Габаритные размеры (В×Ш×Г) | 90,2×36,3×57,5 мм |
| Способ монтажа | установка на DIN-рейку |
| Степень защиты | IP20 |
| Категория изоляции | CATII (двойная изоляция) |
| Максимальное сечение подключаемых проводников | 2,5 мм² |
Схема подключения контроллера управления насосами EPL1-D2-R
Габаритные размеры контроллера EPL1-D2-R
| EPL1- | - | ||
|---|---|---|---|
| Конструктивное исполнение | |||
|
Корпус DIN-реечного исполнения, размеры (В х Ш х Г) 90,2 х 36,3 х 57,5 мм |
D2 | ||
| Тип выходного устройства | |||
| Реле | R | ||
Пример: EPL1-D2-R



631-184-701