
LS: Индуктивные датчики с прямоугольным корпусом
Описание бесконтактных индуктивных датчиков ONDO
Бесконтактные индуктивные датчики ONDO предназначены для надежного отслеживания приближения металлических объектов.
Серия датчиков LS изготавливается в прямоугольном пластиковом корпусе. Датчики оборудованы 2-х метровым кабелем. Модель LS-40 имеет максимальный рабочий диапазон из всех индуктивных датчиков ONDO — 25 мм.
Благодаря большому рабочему диапазону, датчик отлично подходит для работы в качестве:
- датчика парковки в автоматических системах (положение вагонеток, откатных ворот),
- датчика наличия тары (детектирование металлических банок) на линии розлива,
- счетчика продукции(металлических деталей) на конвейере.
Модификации датчиков ONDO серии LS
|
LS-40N-25PO-D2 Бесконтактный индуктивный датчик (корпус 40х20мм, невстраиваемый, PNP, НО, 10-30В, 25мм, 300Гц, IP67), кабель 2м
|
|
|
LS-18F-05NO-D2 Бесконтактный индуктивный датчик (корпус 18х36мм, встраиваемый, NPN, НО, 10-30В, 5мм, 700Гц, IP67), кабель 2м
|
|
|
LS-18F-05PO-D2 Бесконтактный индуктивный датчик (корпус 18х36мм, встраиваемый, PNP, НО, 10-30В, 5мм, 700Гц, IP67), кабель 2м
|
|
|
LS-30F-10RC-A2 Бесконтактный индуктивный датчик (корпус 30х53мм, встраиваемый, НЗ, ~20-250В, 15мм, 20Гц, IP67), кабель 2 м
|
|
|
LS-30F-10RO-A2 Бесконтактный индуктивный датчик (корпус 30х53мм, встраиваемый, НО, ~20-250В, 15мм, 20Гц, IP67), кабель 2 м
|
Принцип действия индуктивных датчиков ONDO

В качестве чувствительного элемента (ЧЭ) применяется электромагнитный излучатель (катушка индуктивности). Совместно с генератором ЧЭ формирует колебательный контур. Во время работы он генерирует электромагнитное поле.
При внесении отслеживаемого объекта (металлическая пластина) в это поле, на его поверхности возникают вихревые токи. В результате изменяются электрические параметры колебательного контура (амплитуда, частота тока). Датчик отслеживает изменение параметров и определяет наличие или отсутствие объектов в рабочей зоне.
Для сигнализации о приближении объекта используется дискретный или аналоговый сигнал.
При подборе датчика необходимо ориентироваться на Гарантированный рабочий диапазон (Sa) — это расстояние от активной поверхности ЧЭ, в пределах которого обеспечивается постоянное срабатывание датчика во всем диапазоне нормированных условий эксплуатации.
Зависимость гарантированного рабочего диапазона (Sa) индуктивных датчиков от внешних факторов
Рабочий диапазон индуктивных датчиков зависит от целого ряда внешних факторов, самые ключевые из которых:
-
Материал объекта воздействия — при работе с объектами из различных металлов и сплавов Sa может уменьшиться.
Зависимость рабочего диапазона Sa от используемого материала Материал объекта
воздействияИзменение рабочего
диапазона SaСталь Ст3 100% Sn Чугун 93…105% Sn Никель 65…75% Sn Нерж.сталь 60…100% Sn Алюминий 30…45% Sn Латунь 35…50% Sn Медь 25…45% Sn -
Размер объекта воздействия — если объект воздействия имеет размеры меньше стандартного, то Sa так же может измениться.

Зависимость номинального рабочего диапазона от размера объекта воздействия Во время работы датчик будет сигнализировать о приближении объекта, когда расстояние до его поверхности не будет превышать значение Sn. В качестве стандартного объекта воздействия, используется квадратная пластина (из стали Ст3), толщиной 1 мм и сторонами не менее 3*Sn мм. В случае применения объектов, отличающихся от стандартного номинальное расстояние срабатывания будет отличаться.
Если фактическая площадь поверхности объекта меньше площади стандартного объекта, то номинальный рабочий диапазон уменьшается.
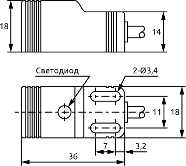
Технические характеристики индуктивных датчиков ONDO LS
| Параметр | Значение |
|---|---|
| Способ установки датчика |
утапливаемое или неутапливаемое исполнение (зависит от кода заказа) |
| Номинальный рабочий диапазон (Sn) | 5 или 25 мм (зависит от кода заказа) |
| Гарантированный рабочий диапазон (Sa) | 0…0,8*Sn |
| Стандартный объект воздействия | стальная пластина со сторонами 3Sn*3Sn*1 мм |
| Тип корпуса | прямоугольный с монтажными отверстиями |
| Напряжение питания | =10…30 В |
| Потребляемый ток | не более 10 мА |
| Тип выходного сигнала | PNP / NPN (транзисторный) |
| Частота переключения |
при Sn 5 мм: 0,7 кГц при Sn 25 мм: 0,3 кГц |
| Максимальная нагрузка дискретного выхода |
при Sn 5 мм: не более 100 мА при Sn 25 мм: не более 200 мА |
| Допустимая температура окружающей среды | -25…+70 °С |
| Допустимая влажность воздуха окружающей среды | 35…95 % |
| Встроенная защита |
защита от короткого замыкания, защита от перегрузки, защита от обратной полярности |
| Сопротивление изоляции | ≥50 МОм (=500 В) |
| Защита от внешних воздействий | IP67 |
| Сигнализация срабатывания | светодиод на корпусе |
| Материал корпуса | пластик |
Схемы соединения индуктивных датчиков ONDO LS

|
Цвет провода |
Номер контакта (разъем) |
Назначение контактов |
|---|---|---|
| Коричневый | 1 | +Uпит |
| Белый | 2 | НЗ-контакт |
| Синий | 3 | -Uпит |
| Черный | 4 | НО-контакт |
Информация для заказа индуктивных датчиков ONDO LS
| LS | - | - | O | - | D | 2 | |||||
|---|---|---|---|---|---|---|---|---|---|---|---|
| Серия | |||||||||||
| Прямоугольный корпус | LS | ||||||||||
| Типоразмер корпуса | |||||||||||
| Размер корпуса 18х53 мм | 18 | ||||||||||
| Размер корпуса 40х20 мм | 40 | ||||||||||
| Способ установки датчика в металл | |||||||||||
| Утапливаемое исполнение | F | ||||||||||
| Неутапливаемое исполнение | N | ||||||||||
| Номинальный рабочий диапазон (Sn) | |||||||||||
| Рабочее расстояние 5 мм | 05 | ||||||||||
| Рабочее расстояние 25 мм | 25 | ||||||||||
| Тип выходного сигнала | |||||||||||
| PNP | P | ||||||||||
| NPN | N | ||||||||||
| Логика выходного сигнала | |||||||||||
| НО | O | ||||||||||
| Номинальное напряжение питания | |||||||||||
| =24 В | D | ||||||||||
| Способ подключения | |||||||||||
| Кабель (2 метра) | 2 | ||||||||||
Пример: LS-40N-25PO-D2.

