
ТРМ1032М Контроллер для отопления и ГВС
ТРМ1032 - контроллер с готовым алгоритмом регулирования температуры в системах отопления и ГВС. Предназначен для применения в индивидуальных и центральных тепловых пунктах (ИТП и ЦТП) и котельных. Регулятор отопления и ГВС поддерживает температуру по заданной уставке или отопительному графику, управляет запорно-регулирующим клапаном (КЗР), циркуляционными насосами, поддерживает давление системы, управляя контуром подпитки.
Преимущества
- Универсальность. ТРМ1032М – специализированный контроллер с готовыми алгоритмами для поддержания температуры в системах отопления и ГВС. Подходит для применения в ИТП, котельных и ЦТП.
- Безопасность. ТРМ1032М своевременно предупреждает оператора о неполадках в работе системы и в критической ситуации останавливает управление исполнительными механизмами.
- Простота. Благодаря встроенному алгоритму, готовой документации, русскоязычному меню, интуитивно понятному интерфейсу и возможности настройки через ПК, прибор вводится в эксплуатацию в течении часа.
- Погодозависимость. Для поддержания комфортного микроклимата в помещениях ТРМ1032М использует погодозависимое регулирование температуры отопительных контуров.
- Экономичность. В режимах экономии прибор ориентируется на работу по оптимальной уставке в дневное или ночное время, а также в выходные дни, снижая расходы на тепловую энергию в периоды низкого водоразбора.
- Диспетчеризация. Интерфейс RS-485 и открытая карта регистров делают возможным включение ТРМ1032М в систему удаленной диспетчеризации OwenCloud, SCADA, OPC и др. Или для визуализации на панели оператора.
Функциональные возможности
График уставки
Для регулирования отопительных контуров ТРМ1032М осуществляет вычисление уставки по заданному пользователем отопительному графику. Это позволяет поддерживать комфортную температуру в помещениях при изменении температуры наружного воздуха, соблюдая баланс между поступающим и уходящим теплом. В случае обрыва или поломки уличного датчика контроллер вычислит уставку отопления, исходя из среднесуточной уличной температуры, и продолжит регулирование. График уставки можно отключить и регулировать температуру в контуре по фиксированному значению.
Защита обработки
ТРМ1032М регулирует температуру обратного теплоносителя в соответствии с графиком, заданным пользователем в настройках прибора. Поддержание температуры обратной сетевой воды позволяет избежать штрафных санкций от теплоснабжающей организации.
Тип систем
ТРМ1032М поддерживает управление независимыми системами теплоснабжения через теплообменник (алгоритмы 11 и 01) и зависимыми системами через гидрострелку (алгоритмы 12 и 02). Благодаря возможности включения контроллеров в распределенную сеть управления, объединив их между собой по RS-485, достигается возможность регулирования до 10 независимых контуров и до 15 зависимых.
Циркуляция
ТРМ1032М управляет двумя насосными циркуляционными группами, каждая из которых состоит из двух насосов, обеспечивающих циркуляцию воды в контуре. Работоспособность насосов контролируется по реле перепада давления. Прибор оснащен контролем запуска и останова насосов по защитным входам с НЗ контактом. Для увеличения срока службы насосов предусмотрено выравнивание наработки между ними за счет поочередного включения, а также функция аварийного ввода резерва.
Экономия
Контроллер ТРМ1032М позволяет снизить расход энергии в дневное и ночное время, а также в выходные дни. Кроме того, для избежания провалов температуры в период большого утреннего водоразбора по окончанию ночного периода ТРМ1032М активирует режим работы на повышенной уставке для быстрого прогрева контура. Временные промежутки дня и ночи пользователь устанавливает самостоятельно.
Подпитка
Для поддержания давления в системе отопления ТРМ1032М управляет двумя подпиточными насосами и клапаном подпитки. Работа подпитки осуществляется по дискретному или аналоговому датчику давления. Также в ТРМ1032М реализована функция контроля протечки в контуре отопления по времени работы подпитки или по датчику LS. Контроль работы насосов осуществляется по защитным входам с НЗ контактами.
* Работа Подпитки доступна только в контроллерах модификации ТРМ1032М-Х1
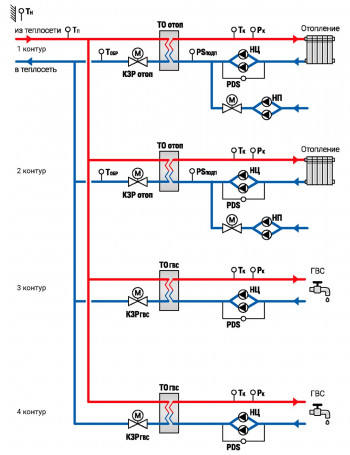
Типовые схемы
Независимые схемы контроллера для отопления
Схема системы отопления с подпиткой и ГВС
Схема системы двух контуров отопления с подпиткой
Зависимые схемы контроллера для отопления
Схема смесительного и прямого контура отопления
Многоконтурные схемы контроллера для отопления
Схема многоконтурной системы трех контуров отопления с подпиткой и ГВС
Схема многоконтурной системы двух контуров отопления с подпиткой и двух контуров ГВС
Схема многоконтурной системы отопления прямых и смесительных контуров с бойлером ГВС
Схема многоконтурной системы отопления смесительных контуров
Таблица обозначений ТРМ1032М
| Тн | Датчик температуры наружного воздуха | РТ | Реле температуры в общем трубопроводе |
| Тк | Датчик температуры теплоносителя в контуре | ТО отоп | Теплообменник контура отопления |
| Тобр | Датчик температуры теплоносителя в обратном общем трубопроводе | ТО ГВС | Теплообменник контура ГВС |
| Тп | Датчик температуры теплоносителя в подающем общем трубопроводе | КЗР отоп | Клапан запорно-регулирующий контура отопления |
| Рк | Датчик давления теплоносителя в контуре | КЗР ГВС | Клапан запорно-регулирующий контура ГВС |
| PSподп | Прессостат (реле давления) подпитки | НЦ | Насос циркуляции контура |
| PDS | Датчик перепада давления на насосах | НП | Насос подпитки контура |
631-184-701