
VPI-PM-10 Основа пневмоострова
Модификации
|
VPI-PM-10-4 Основа пневмоострова, типоразмер 10мм, 4 места, выходы вниз, подвод и выхлоп G 1/8, выходы M5
|
|
VPI-PM-10-6 Основа пневмоострова, типоразмер 10мм, 6 мест, выходы вниз, подвод и выхлоп G 1/8, выходы M5
|
|
VPI-PM-10-8 Основа пневмоострова, типоразмер 10мм, 8 мест, выходы вниз, подвод и выхлоп G 1/8, выходы M5
|
|
VPI-PM-10-10 Основа пневмоострова, типоразмер 10мм, 10 мест, выходы вниз, подвод и выхлоп G 1/8, выходы M5
|
|
VPI-PM-10-12 Основа пневмоострова, типоразмер 10мм, 12 мест, выходы вниз, подвод и выхлоп G 1/8, выходы M5
|
|
VPI-PM-10-16 Основа пневмоострова, типоразмер 10мм, 16 мест, выходы вниз, подвод и выхлоп G 1/8, выходы M5
|
|
VPI-PM-10-20 Основа пневмоострова, типоразмер 10мм, 20 мест, выходы вниз, подвод и выхлоп G 1/8, выходы M5
|
|
VPI-PM-10-24 Основа пневмоострова, типоразмер 10мм, 24 места, выходы вниз, подвод и выхлоп G 1/8, выходы M5
|
Описание основы пневмоострова VALMA серии VPI-PM-10
Основа пневмоострова представляет из себя монолитную плиту из алюминиевого сплава с каналами для прохождения сжатого воздуха. Внутри основы пневмоострова помимо каналов для сжатого воздуха расположена также электрическая плата с компонентами, через которую осуществляется передача сжатого воздуха от блока управления пневмоостровом к распределительным клапанам.
Сборка пневмоострова осуществляется установкой на основу пневмоострова распределительных клапанов, блока управления и фитингов.
Для выбора основы пневмоострова необходимо определиться со следующими параметрами собираемого пневмоострова:
- типоразмер распределительных клапанов, которые будут на нее установлены (10 мм или 14 мм);
- расположение выходных портов сжатого воздуха (в дно или вниз);
- количество посадочных мест для распределительных клапанов (из ряда значений, от 4 до 24 шт.).
Основы пневмоострова представлены на нескольких страницах, в зависимости от первых двух параметров вышеприведенного списка.
| Расположение выходов | Выходы в дно | Выходы вниз |
|---|---|---|
| Для распределителей шириной 10 мм | VPI-PB-10 | VPI-PM-10 |
| Для распределителей шириной 14 мм | VPI-PB-14 | VPI-PM-14 |
Модификации по расположению выходных портов сжатого воздуха (в дно или вниз) определяют то, на какой из сторон будут расположены фитинги для подключения пневмотрубок.
Выход в дно обозначает расположение выходных портов сжатого воздуха на той стороне пневмоострова, которая является противоположной по отношению к распределителям. Такая модификация удобна при монтаже пневмоострова в дно шкафа управления или на его боковую стенку. При этом все пневматические подключения оказываются снаружи шкафа, а электрические подключения, блок управления и распределительные клапаны — внутри шкафа.

Выход вниз (иногда говорят выход вбок) обозначает расположение выходных портов сжатого воздуха на нижней стороне пневмоострова при его установке на монтажную панель внутри шкафа управления или на другую вертикальную поверхность. При этом, в случае установки пневмоострова внутри шкафа управления, как правило, требуется ещё и вывод пневмотрубок наружу шкафа через специальные проходные фитинги.

| Общие параметры основы пневмоострова | |
| Стандарт резьбовых присоединений (трубная резьба) |
ГОСТ 6357-81 ISO 228-1:2000 |
| Стандарт резьбовых присоединений (метрическая резьба) |
ГОСТ 24705-2004 ISO 724:1993 |
| Температура окружающей среды | -5…+60 °С |
| Номинальное давление (PN) | PN10 |
| Параметры рабочей среды | |
| Рабочая среда |
сжатый воздух по ГОСТ Р ISO8573-1 2016 (7:4:4) |
| Массовая концентрация частиц в рабочей среде | не более 10 мг/м3 |
| Общая концентрация масел (в фазах аэрозолей, жидкости и паров) | не более 5 мг/м3 |
| Температура точки росы рабочей среды | ≤+3 °С |
| Диапазон рабочего давления Рр (при внутреннем давлении управления) |
1,5 бар…8 бар (0,15 Мпа…0,8 Мпа) |
| Диапазон рабочего давления Рр (при внешнем давлении управления) |
-0,9 бар…8 бар (-0,09 МПа…0,8 Мпа) |
| Параметры управляющей среды при внешнем управлении | |
| Управляющая среда |
сжатый воздух по ГОСТ Р ISO8573-1 2016 (7:4:4) |
| Диапазон давления управления Pупр * |
1,5 бар…8 бар (0,15 Мпа…0,8 Мпа) |
| Материалы основных деталей основы пневмоострова | |
| Корпус основы пневмоострова | алюминиевый сплав (6061) |
| Заглушки канала управления | медь/NBR |
| Заглушки внутри каналов основы для установки разных зон давления | медь/NBR |
| Показатели надежности | |
| Срок службы | 10 лет |
| Срок хранения | 10 лет |
* – указанный диапазон Pупр зависит от типа используемых распределителей и рабочего давления.
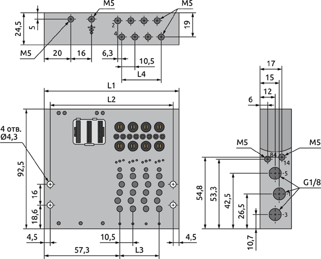
Габаритные размеры основы пневмоострова VPI-PM-10

Габаритные размеры основы пневмоострова VPI-PM-10, мм
|
Кол-во монтажных мест для распре- делителей |
Габаритные размеры, мм | |||
|---|---|---|---|---|
| L1 | L2 | L3 | L4 | |
| 4 | 103 | 94 | 31,5 | 31,5 |
| 5 | 113,5 | 104,5 | 42 | 42 |
| 6 | 124 | 115,5 | 52,5 | 52,5 |
| 7 | 134,5 | 125,5 | 63 | 63 |
| 8 | 145 | 136 | 73,5 | 73,5 |
| 9 | 155,5 | 146,5 | 84 | 84 |
| 10 | 166 | 157 | 94,5 | 94,5 |
| 12 | 187 | 178 | 115,5 | 115,5 |
| 16 | 229 | 220 | 157,5 | 157,5 |
| 20 | 271 | 262 | 199,5 | 199,5 |
| 24 | 313 | 304 | 241,5 | 241,5 |
Информация для заказа основы пневмоострова VALMA серии VPI-PM-10
| VPI - | PM | - | 10 | - | |
|---|---|---|---|---|---|
| Обозначение устройства | |||||
| Основа пневмоострова с выходами в нижней части | PM | ||||
| Типоразмер совместимых распределителей | |||||
| 10 мм (DN 4) | 10 | ||||
| Количество монтажных мест для распределителей | |||||
| Количество монтажных мест для распределителей | 4…24 | ||||
Пример: VPI-PM-10-4…24